KP Series Liquid Leak Detector

  • KP Series low cost Leak Detect Sensor
  • KP series2
Click image to enlarge
0

Quantity:

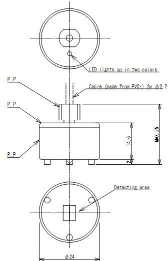
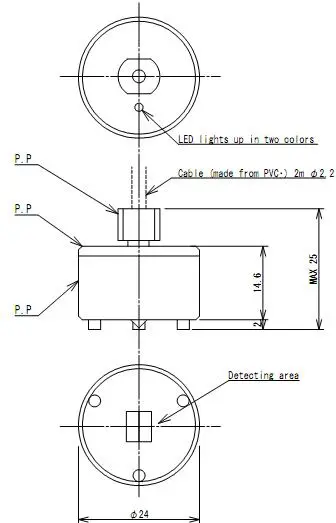
These units usually sit in a drip pan or similar location where people want to know if there is a leak. If they end up in the thinnest pool of liquid, they will alarm. They use a leak detector looking at an LED, and if that light path gets altered at all, then it knows there is a liquid there. With that, it will detect any liquid as long as it is not exposed to excessively high or low temperatures.

*Note: These units are not rated to operate in a hazardous, potentially explosive environment or for flammable liquids.
 

Technical Specifications

Detection method

Infrared Photo-refraction

Output

Transistor NO or NC

Power

12 – 24VDC

Response time

< 1 sec (DI water)

Current Consumption

25mA Max

Indicators

Normal operation – Green LED on, Red LED off

Detection – Red LED on, Green LED off

Operating temperature

- 10 to 60°C

Material of construction

PP (Polypropylene)

Cable

shielded 2 conductor, PVC (polyvinyl chloride)

2 meter length standard

Wiring

+: red

-: shield

Signal: white



diagram of a KP series liquid leak detection sensor

Key Features of the KP Series Liquid Leak Detector

The KP Series Liquid Leak Detection Sensor provides quick and reliable detection of liquids. The detector's body is made from polypropylene, which resists chemical deterioration and can withstand harsh conditions. KP Series Liquid Leak Detectors are low-cost without compromising on performance, providing detection speeds of under 0.5-1 seconds. With a compact design, the KP Series Liquid Leak Detector can be implemented in nearly any industrial application requiring consistent and accurate liquid leak monitoring.

Benefits of KP Series Liquid Leak Detectors

  • Reliable performance
  • Low profile design
  • Fast response time when detecting liquids
  • Cost-effective
  • Compatibility with many industrial fluids, including water, chemicals, and more
  • Can withstand exposure to harsh chemicals for a long lifespan

Industrial Applications for KP Series Liquid Leak Detectors

The reliable performance and cost-effectiveness of the KP Series Leak Detectors make them a popular liquid monitoring solution for many different industrial environments. Common applications for these liquid leak detectors include:
  • Chemical processing plants
  • Cleanroom environments
  • Commercial appliances
  • Food and beverage production
  • HVAC equipment
  • OEM manufacturing applications
  • Pharmaceutical manufacturing

Contact Us to Learn More About KP Series Liquid Leak Detector Sensors

As a leading liquid monitoring equipment supplier, Daitron carries a wide selection of additional industrial liquid leak sensors and flow detection sensors, including our LUP series and TFP series leak detectors. Contact us to learn more, or request a quote online for pricing estimates on your order. Daitron is your source for proven liquid leak detector solutions.

About Us  • News  •  Privacy Policy  • Accessibility Statement •   Site Map  •  Site Credit: Ecreativeworks

Configure Your Cookies Settings


Functional (Non-Optional) Always Active
Performance
Advertising

Our website uses cookies for the functionality of the website. For more information on how we use our cookies, see our privacy policy.